Popis
DOMAX PSGR nabíjacia pätka stĺpika nastaviteľná je určená na kotvenie drevených konštrukcií priamo do zeme. Vďaka špeciálnej konštrukcii zabezpečuje dilatáciu dreva od podkladu, čo výrazne predlžuje jeho životnosť a chráni pred vlhkosťou. Je ideálnou voľbou pre montáž drevených stĺpov pergol, plotov, prístreškov či altánkov.
K nabíjacej pätke stĺpika DOMAX PSGR, sa používajú skrutky DOMAX CTO pre záhradnú architektúru a skrutky do dreva DOMAX PWD Ø10 mm. Táto kombinácia zabezpečuje pevné, stabilné a dlhodobo spoľahlivé uchytenie stĺpikov.
Výhody
-
Robustné vyhotovenie z ocele S235
-
Povrchová úprava HDG - žiarové pozinkovanie s vysokou odolnosťou proti korózii
-
Určená na montáž drevených prvkov priamo do zeme
-
Zaručuje stabilitu a dlhú životnosť konštrukcie
- Jednoduchá montáž s použitím vhodných skrutiek
Aplikácia
- Kotvenie drevených stĺpov a konštrukcií (ploty, pergoly, altánky, prístrešky),
- Zabezpečenie dilatácie medzi drevom a podkladom,
- Vhodná na exteriérové konštrukcie vystavené poveternostným podmienkam
Pred inštaláciou sa uistite, že terén je správne pripravený a stabilný. Používajte vhodné kotvy a upevňovacie prvky podľa technických pokynov výrobcu. Po inštalácii skontrolujte stabilitu konštrukcie pred jej používaním. Dodržiavanie týchto pokynov zabezpečí bezpečné používanie základní stĺpov a minimalizuje riziko úrazov.
Technické parametre
Pätka
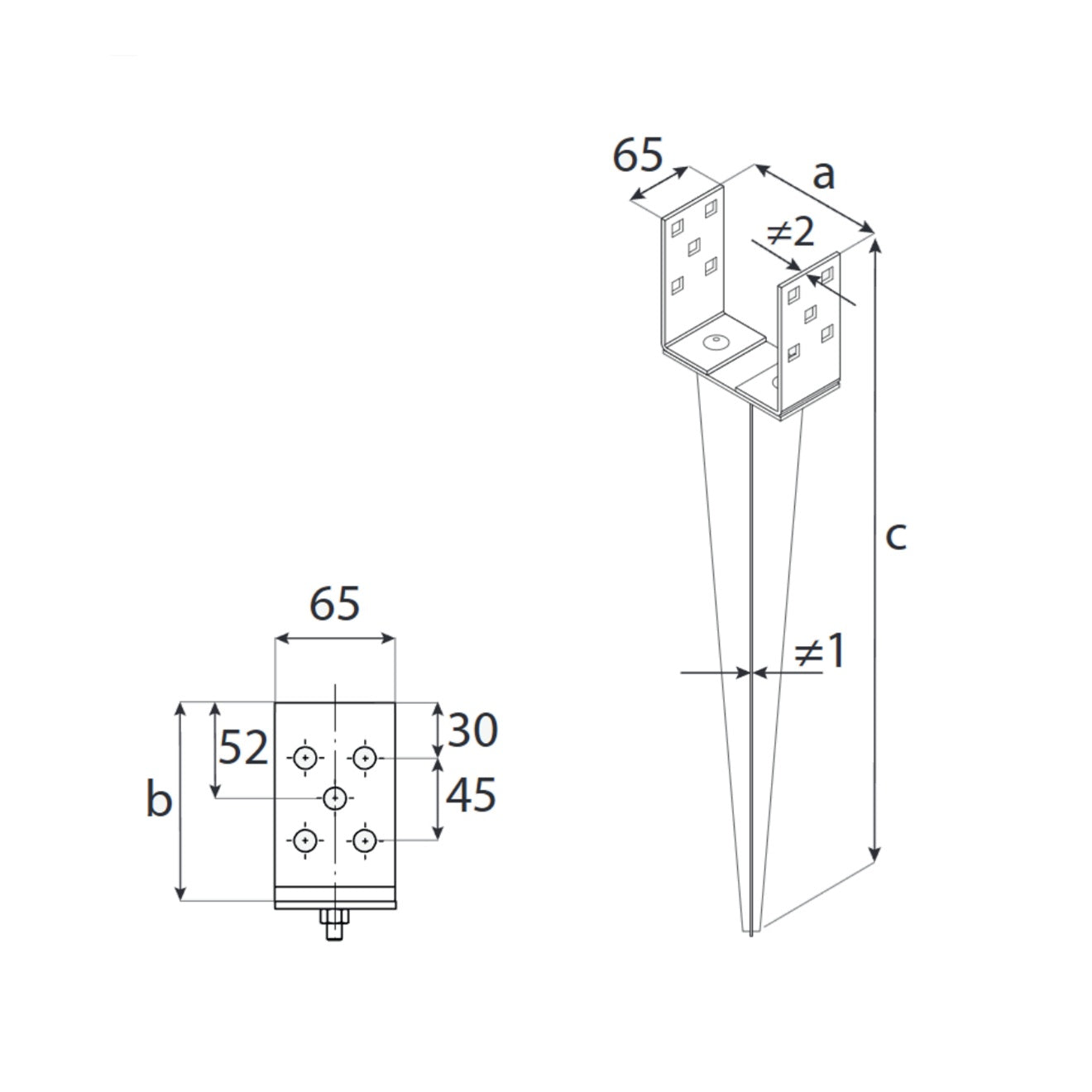
Pätka stĺpika umožňuje montovať drevené prvky v zemi. Má nastaviteľnú šírku v rozsahu od 0 do 120 mm. Vďaka svojej konštrukcii umožňuje používať hranoly s neštandardnými rozmermi.
Upevnenie
Drevo: skrutky do dreva - CTO Ø10; skrutky do dreva - PWD Ø10; metrická skrutka M10.
Povlak
Žiarové pozinkovanie (ZNO)
Osobné ochranné prostriedky
Počas inštalácie základní stĺpov je potrebné používať osobné ochranné prostriedky v súlade s predpismi bezpečnosti a ochrany zdravia pri práci, vrátane:
Ochranných rukavíc - na ochranu pred porezaním,
Bezpečnostnej obuvi - na ochranu pred poranením nôh,
Ochranných okuliarov - pri vŕtaní alebo rezaní.
Recyklácia a likvidácia
Demontované základne stĺpov nepredstavujú ekologické riziko a môžu byť recyklované. Odporúča sa odovzdať materiál na príslušné recyklačné miesta alebo ho zlikvidovať v súlade s platnými predpismi.



Súbory k stiahnutiu
Technické parametre
| Hrúbka | 2.0 - 4.0 mm |
| Materiál | S235 + žiarové pozinkovanie (ZNO) |




